Suchbegriff eingeben
+49(0)37207-650690 WhatsApp: 0152-03530124 Email: Info@Oldsmoped.de
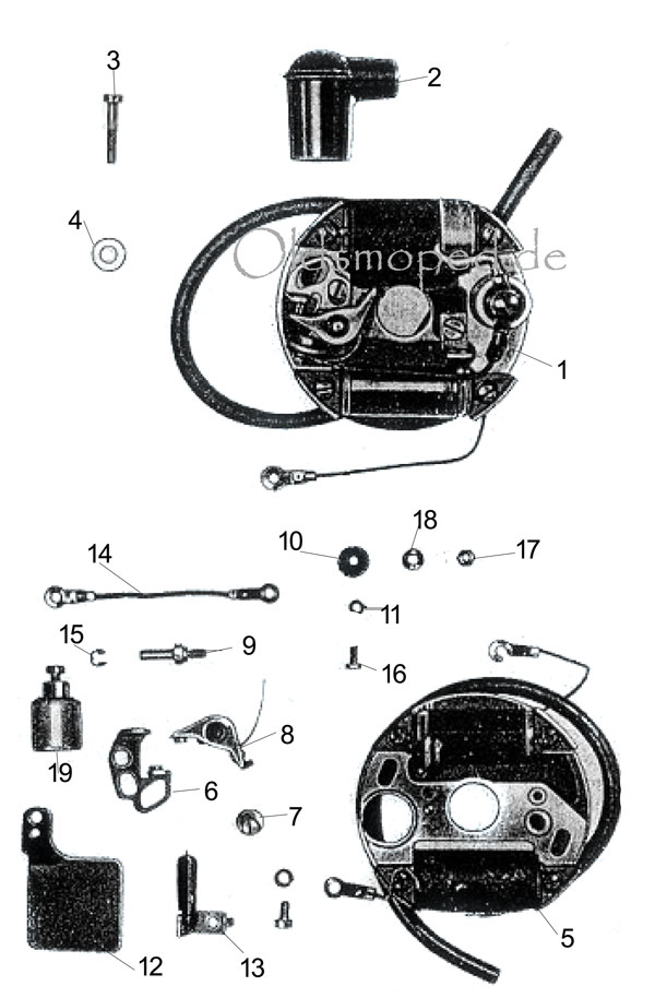
Fig 1: Grundplatte, komplett (1100-O-E) Fig 2: Zündleitungsstecker (1101-O-E) Fig 3: Zylinderschraube (1004-O-E) Fig 4: Scheibe 4,3x12 (1102-O-E) Fig 5: Grundplatte mit Zünd- und Lichtspule (1103-O-E) Fig 6: Kontaktwinkel (1109-O-E) Fig 7: Einstellexcenter (1110-O-E) Fig 8: Unterbrecher, komplett (1111-O-E) Fig 9: Zapfenschraube (1117-O-E) Fig 10: Isolierscheibe (1119-O-E) Fig 11: Federring A3 (1120-O-E) Fig 12: Isolierblatt (1121-O-E) Fig 13: Schmierfilz(1118-O-E) Fig 14: Anschlußleitung (1122-O-E) Fig 15: BZ-Scheibe 3,2 (1123-O-E) Fig 16: Sechskantschraube 3x8 (1124-O-E) Fig 17: Sechskantmutter M3 (1125-O-E) Fig 18: Isolierscheibe (1126-O-E) Fig 19: Kondensator (1127-O-E) Artikel nur zur optischen Darstellung der Exlosionszeichnung - nicht bestellbar!
{{.}}
{{{.}}}